订货型号

技术参数

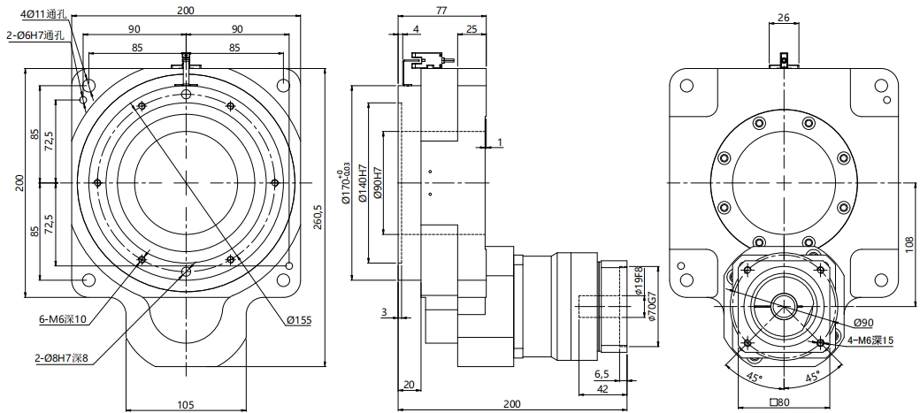
外形尺寸
ZCZ200-L1配750W伺服接口

ZCZ200-L2配750W伺服接口

图纸下载(平面及三维模型图请联系客服索取)
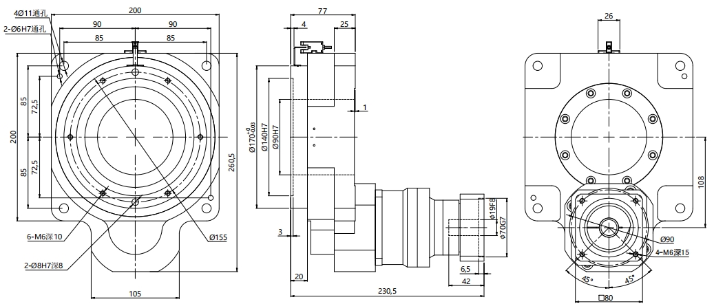
ZCZ重载型中空旋转平台结构尺寸包含200/280,设有防倾覆稳定环,增强倾覆力矩,适合侧装、吊装。转盘为中空结构,方便治具中的气管、电线安装。中孔直径有90/135。通过电机驱动,可实现任意角度调整自动化,定位精度高,承载扭矩大,噪音低。如需平面或三维图纸请直接与我们ZHENGCHENG联系。
订货型号

技术参数

外形尺寸
ZCZ200-L1配750W伺服接口

ZCZ200-L2配750W伺服接口

图纸下载(平面及三维模型图请联系客服索取)