订货型号

技术参数

减速机转动惯量

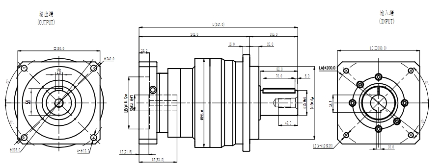
外形尺寸
ZCV60-L1/ZCV60-L2


ZCV90-L1/ZCV90-L2


ZCV120-L1/ZCV120-L2


ZCV140-L1/ZCV140-L2


ZCV180-L1/ZCV180-L2


图纸下载(平面及三维模型图请联系客服索取)
ZCV行星减速机结构尺寸包含60/90/120/140/180,速比L1为3/4/5/7/10,L2可做12-100比,满足不同负载和转速要求。独特的轴径输出,结构紧凑,有更大的安装自由空间。斜齿双支撑结构,耐冲击力高,可适应频繁正反转,精度高。如需平面或三维图纸请直接与我们ZHENGCHENG联系。
订货型号

技术参数

减速机转动惯量

外形尺寸
ZCV60-L1/ZCV60-L2


ZCV90-L1/ZCV90-L2


ZCV120-L1/ZCV120-L2


ZCV140-L1/ZCV140-L2


ZCV180-L1/ZCV180-L2


图纸下载(平面及三维模型图请联系客服索取)